Flat 50% off on all training & certification courses. Limited time offer Explore courses

Use these filters to find papers

  Question
0

a. Explain the need of cascade amplifier and list the advantage of this Circuit.

This question has 0 answers so far.
0

c. For common gate amplifier as shown in  Fig 08.(c), gm = 2.8ms, rd =50 Calculate zs, zo, and Av.

                       

This question has 0 answers so far.
0

b. With equivalent model of JFET common drain configuration. Obtain the expression for zi, zand Av

This question has 0 answers so far.
0

a. Define transconductance gm and derive expression for gm.

This question has 0 answers so far.
0

c. With neat circuit explain the working of series resonant crystal oscillator. A crystal has L =0.1H ,C =0.01 pF find the series resonating frequency.

This question has 0 answers so far.
0

ii) Design the value of an inductor to be used in Colpitts oscillator to generate a frequency of 10MHz. The circuit is used a value of C1 =100pF and C2 = 50pF. 

This question has 0 answers so far.
0

b.  i) The frequency sensitive arms of the wien bridge oscillator uses C1 = C2 =0.001  and R1 =  White R2 is kept variable. The frequency is to be varied from 10KHz to 50KHz by varying R. Find the minimum and maximum values of R2

This question has 0 answers so far.
0

a. With neat circuit diagram explain the operation of BJT Hartley oscillator.

This question has 0 answers so far.
0

c. What is Harmonic distortion? Calculate the harmonic distortion components for an output signal having fundamental amplitude of 2.5V second harmonic amplitude of 0.25V, third harmonic amplitude of 0.1 V and Fourth harmonic amplitude of 0.O5V. Also calculate the total harmonic distortion.

This question has 0 answers so far.
0

b. Draw the circuit diagram of series fed directly coupled Class - A amplifier. Give the expression for dc power input and ac power output and show that efficiency is 25%. 

This question has 0 answers so far.
0

a. Draw input and output wave forms of Class A, Class-B and Class - based on the location of Q-point, and briefly discuss. 

This question has 0 answers so far.
0

6. Derive the expression for input resistance ( Rif)for voltage series feedback amplifier .

This question has 0 answers so far.
0

b. With block diagram, explain the concept of feedback List the advantages of negative feedback.

This question has 0 answers so far.
0

a. Explain Reverse recovery time of a semiconductor diode.

This question has 0 answers so far.
0

c. Draw and explain frequency response of an amplifier and briefly discuss the effect of various capacitors on frequency response.

This question has 0 answers so far.
0

b. Describe miller effect and derive an equation for miller input and output capacitance.

This question has 0 answers so far.
0

a. An amplifier consists of 3 identical stages in cascade; the bandwidth of overall amplifier extends from 20Hz to 20kHz. Calculate the band width of Individual stage. 

This question has 0 answers so far.
0

 c. Using h-parameter model for a transistor in C.E configuration. Derive expressions for Ai, zi and Av.

This question has 0 answers so far.
0

b. Derive an expression for zi, zo, Av and Ai of a CE fixed bias configuration using re model.

This question has 0 answers so far.
0

a. For common base configuration shown in Fig Q3(a). Find res, zs, zo, and Av.

                  

This question has 0 answers so far.
0

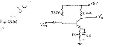
c. For the circuit shown in Fig. 02(c). Find IS, IC, VCE. VC and VE Assume  = 100,VBE =0.7. 

                    

This question has 0 answers so far.
0

b. Derive the expression for lS, VCE and S(ICO) for voltage divider bias using exact analysis.

This question has 0 answers so far.
0

a. What is transistor biasing? Discuss the causes of bias instability in a transistor.

This question has 0 answers so far.
0

c. What is clamper circuit? Explain the operation of Positive and Negative clamper circuits and draw the wave form. [Assume Ideal Diode). 

This question has 0 answers so far.
0

b. The Fig. QI (b) shows two way clipper. Determine its output wave form. Assume diode drop of 0.7V.

                             

This question has 0 answers so far.