Flat 50% off on all training & certification courses. Limited time offer Explore courses

Use these filters to find papers

  Question
0

Explain any three structural forms with examples.

This question has 0 answers so far.
0

A two hinged parabolic arch of constant cross-section has a span of 60 m and a central rise of 10 m. It is subjected to loading as shown in Fig. 28. Calculate the reactions at supports of the arch, normal thrust and radial shear at 20 m from left support .

                                                       

This question has 0 answers so far.
0

Analyze the continuous beam shown in Fig. Q7, by three moment theorem. E is constant.Draw the BMD and SFD. 

                          

This question has 0 answers so far.
0

For a rigidly fixed beam AB of span 5m carrying a uniformly distributed load of 10 kN/m over the entire span, locate the point of contra flexure and draw BMD and SFD. [Fig.Q6(b)]. 

                                       

This question has 0 answers so far.
0

Draw SFD and BMD for the propped cantilever beam loaded as shown in Fig. Q6(a). Use consistent deformation method. 

                                     

  

This question has 0 answers so far.
0

A three hinged parabolic arch is loaded as shown in Fig.5(b). Determine the reactions at supports, normal thrust, radial shear and bending moment at left quarter span point. 

                                         

  

This question has 0 answers so far.
0

Derive an expression to find length of a cable subjected to uniformly distributed load throughout with usual notations. 

This question has 0 answers so far.
0

Using strain energy method, compute the deflection at mid span of a simply supported beam carrying a uniformly distributed load of  kN/m. Assume an uniform flexural rigidity. 

This question has 0 answers so far.
0

 Determine horizontal and vertical component of deflection at point 'C' for the frame loaded as shown in Fig. Q4 by strain energy method. 

                                                         

This question has 0 answers so far.
0

Find the vertical deflection at the joint for the pin jointed truss shown in Fig.Q3, by strain energy method. The cross sectional area is shown. Take E=200 kN/mm2.

                                                  

This question has 0 answers so far.
0

Find the slope at support A and deflection at centre span of a simply supported beam subjected to loading as shown in Fig. 2(b). Use conjugate beam method. E is constant. 

                            

This question has 0 answers so far.
0

Determine the slope and deflection at the free end of the cantilever beam of span subjected to udl of intensity /unit length throughout the span. El is constant. Use moment area theorem. 

This question has 0 answers so far.
0

a. Find the shear force at 'x' using influence line diagram, for the beam show in Fig. Q1(a)

            

This question has 0 answers so far.
0

Derive an expression for strain energy stored in a beam due to bending with usual notations.

This question has 0 answers so far.
0

Explain static indeterminacy and kinematic indeterminacy of structures with examples.

This question has 0 answers so far.
0

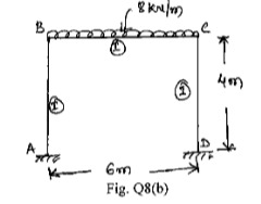
b. Determine natural frequency and period of the system as shown in Fig. Q8(b).

Take  and

                          


 

This question has 0 answers so far.
0

a. Explain degrees of freedom, free vibration, natural frequency and damping.

    



 

This question has 0 answers so far.
0

Analyse the continuous beam shown in Fig. 27 by using stiffness matrix method. Use system approach Draw BMD.

                       

    



 

This question has 0 answers so far.
0

Analyse the frame shown in Fig. Q6 by using Flexibility matrix method. Use system approach. Draw BMD. 

                                      

    



 

This question has 0 answers so far.
0

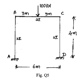
Analyse the frame in Fig Q5 by Kani's method. Draw the bending moment diagram.

                                         

    



 

This question has 0 answers so far.
0

Analyse the frame shown in Fig 04 by moment distribution method. Draw the banding moment diagram. (El constant). 

                     

    



 

This question has 1 answers so far.
0

Analyse a continuous beam shown in Fig 23. Using moment distribution method. Sketch SFD and BMD. (El constant).

      

    



 

This question has 0 answers so far.
0

Analyse the frame shown in Fig Q2 by using slope deflection method. Draw BMD and SFD.

                           



 

This question has 0 answers so far.
0

 b. A train of Five wheel loads crosses a simple span of 30 meters. Calculate the maximum positive and negative shear at midspan and the absolute maximum bending moment anywhere in the span 

                  

This question has 0 answers so far.